Přihlášení

Nábytkový zámek číselný

 
fotografie zboží je pouze ilustrační
Výrobce: Häfele, Německo , Kód: 231.13.0xx
Další fotografie zboží
Varianty zboží
Kód
Technický popis
Balení
Dostupnost
Cena za balení s DPH
Množství
231.13.000- pravý zámek1ks4 dny1 217 Kč
231.13.055- levý zámek1ks4 dny1 217 Kč
231.13.091- kontrolní klíč1ks4 dny193,06 Kč
231.14.950- prodlužovací pouzdro1ks4 dny272,63 Kč
231.13.706- protiplech1ks4 dny19,61 Kč

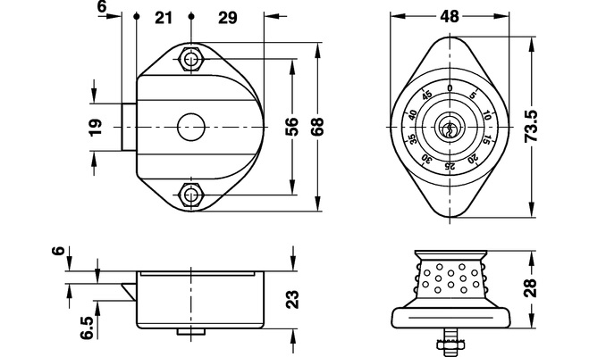
Zámek pro uzamykatelné skříňky a šatní skříně. Vhodné pro montáž na ocelové dveře do tloušťky plechu 3 mm. S použitím prodlužovacího pouzdra lze namontovat na dřevěné dveře o tloušťce 17,5mm - 19mm.

Materiál: zámek ocelový, pouzdro nerez, zamykací oliva plastová, vložka mosazná
Povrchová úprava zámku: pozinkováno chromátováno, zamykací oliva je černá
Zamykací technika: s 5 volitelnými číselnými kombinacemi nebo (kontrolní klíč) s 5 jehličkovými stavítky
Montáž: k přišroubování.

 

Skříňový zámek je možné otevřít dvěma způsoby:
1) zámkem na heslo:
každý zámek má přednastavených 5 kombinací, které je možné zvolit pomocí kontrolního klíče. Kombinace zámku nejsou založeny na kombinaci v řadě, takže je nelze odhadnout.
2) kontrolním klíčem (vložka s 5 stavítky). Kontrolní klíč otevře zámek bez ohledu na nastavenou číselnou kombinaci.

 

Otevření skříňového zámku:
1) dvě úplná otočení vpravo
2) dále otáčejte vpravo až k první číslici
3) jedno úplné otočení vlevo
4) dále otáčejte vlevo až k druhé číslici
5) otáčejte vpravo až k třetí číslici
6) dále otáčejte vpravo až k dorazu
Zámek se otevře.

 

Resetování kombinace skříňového zámku:
1) jedno úplné otočení vpravo
2) dále otáčejte vpravo až k "0"
3) vložte kontrolní klíč a otočte vpravo o 90°
Západka je zatažena.
4) otevřete dveře
5) stiskněte a podržte tlačítko na zadní straně zámku
6) otočte knobkou vpravo o dva dílky až k "48"
7) uvolněte tlačítko na zadní straně zámku
8) otáčejte knobkou vpravo, dokud není slyšet zaklapnutí
9) vytáhněte kontrolní klíč
Seznam 5 specifických kombinací je dodán.
Pokud změníte kombinaci výše uvedeným postupem, automaticky
se nastaví další kombinace uvedená v seznamu.

 

 

 
Copyright © 2008 - 2026 Ing. Vladimír Bátrla | Tvůrce internetových projektů